南京夜网论坛梧桐,北京品茶洋马,深圳福永蒲友论坛

南通奥普机械工程有限公司 >> 产品中心 >> 阀门 >> 均化库库侧检修门

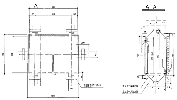
均化库库侧检修门

均化库库侧检修门的均化库库侧入孔门由外门和内门组成,采用优质碳素钢制造,坚固耐用、密封性能优越、开启方便、便于检查均化库内情况。

 

 

您可能会对以下产品感兴趣

产品好不好 用我们的业绩证明

奥普核心合作伙伴

企业规模怎么样 用我们的资质说明

生产能力怎么样 用我们的设备和团队表明

新闻动态

均化系列

连续式均化库

电动调节蝶阀

电动蝶阀

星形卸灰阀

圆形堆取料机

主站蜘蛛池模板: 柘城县| 宣武区| 崇州市| 清苑县| 清水县| 山阴县| 芒康县| 平山县| 资溪县| 水富县| 昌邑市| 丹江口市| 宜章县| 广德县| 柏乡县| 康定县| 肇州县| 绥芬河市| 西宁市| 武功县| 固安县| 进贤县| 凤山县| 绥江县| 汝城县| 蒙阴县| 大悟县| 濉溪县| 宁城县| 福泉市| 望谟县| 英德市| 莲花县| 琼结县| 新安县| 昌吉市| 达拉特旗| 旌德县| 资溪县| 利津县| 呼伦贝尔市|