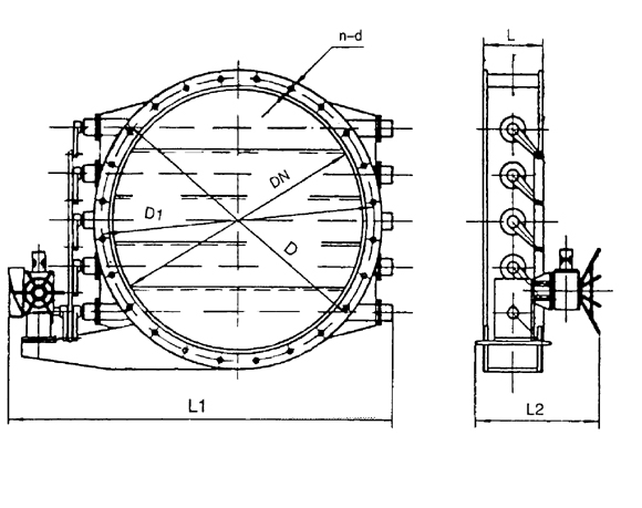
百叶式电动气流调节阀TJDB-0.5(圆形)

.jpg)

|
公称压力
|
0.05MPa
|
|
漏质率
|
1.5%
|
|
介质流速
|
≤30m/s
|
|
适用温度
|
-20~300℃
|
|
适用介质
|
空气、粉尘气体等
|

TjDB-0.5外形连接尺寸
|
DN |
D |
D1 |
L |
L1 |
L2 |
n-d |
电动装置 |
电机功率(kw) |
风机 |
重量(kg) |
|
|
280 |
324 |
306 |
160 |
820 |
585 |
8-Φ10 |
Z5-15 |
AZ5-15 |
0.18 |
4-72 |
60 |
|
320 |
367 |
350 |
180 |
860 |
16-Φ7 |
70 |
|||||
|
360 |
416 |
394 |
900 |
|
82 |
||||||
|
450 |
512 |
490 |
930 |
630 |
16-Φ10 |
95 |
|||||
|
500 |
572 |
550 |
200 |
980 |
|
Z10-18 |
ZA10-18 |
|
125 |
||
|
600 |
676 |
650 |
1235 |
|
155 |
||||||
|
180 |
230 |
205 |
160 |
715 |
585
|
8-Φ7 |
Z5-18 |
ZA5-18 |
0.18 |
9-19 9-26 |
210 |
|
200 |
250 |
225 |
735 |
|
35 |
||||||
|
224 |
284 |
254 |
755 |
|
45 |
||||||
|
250 |
310 |
280 |
781 |
8-Φ10 |
9-19 9-72 |
60 |
|||||
|
280 |
360 |
320 |
801 |
|
75 |
||||||
|
315 |
395 |
355 |
180 |
840 |
|
125 |
|||||
|
355 |
435 |
395 |
880 |
|
140 |
||||||
|
400 |
500 |
450 |
885 |
|
8-Φ12 |
170 |
|||||
|
450 |
550 |
500 |
925 |
|
210 |
||||||
|
500 |
620 |
560 |
200 |
975 |
630 |
12-Φ12 |
AZ10-18 |
AZ10-18 |
0.25 |
230 |
|
|
560 |
680 |
620 |
1035 |
|
260 |
||||||
|
630 |
750 |
690 |
1265 |
|
320 |
||||||
|
710 |
830 |
770 |
1345 |
16-Φ12 |
375 |
||||||
|
800 |
920 |
860 |
260 |
1362 |
|
9-26 |
475 |
||||
|
900 |
1040 |
970 |
1462 |
16-Φ15 |
ZA15-18 |
ZA15-18 |
0.37 |
525 |
|||
|
1000 |
1110 |
1065 |
1640 |
|
4-27 Y5-48 |
645 |
|||||
|
1110 |
1220 |
1170 |
1740 |
20-Φ15 |
670 |
||||||
|
1120 |
1250 |
1190 |
280 |
1760 |
730 |
|
770 |
||||
|
1200 |
1330 |
1270 |
1840 |
24-Φ15 |
G/Y-72 |
870 |
|||||
|
1400 |
1520 |
1470 |
320 |
2040 |
|
970 |
|||||
|
1600 |
1700 |
1660 |
2240 |
28-Φ19 |
ZA20-18 |
ZA20-18 |
0.55 |
1170 |
|||
|
1800 |
1900 |
1860 |
420 |
2448 |
|
1270 |
|||||
|
2000 |
2122 |
2060 |
2648 |
|
1350 |
||||||
|
2200 |
2300 |
2260 |
450 |
2848 |
36-Φ19 |
ZA30-18 |
ZA30-18 |
0.75 |
G/Y-73-13 |
1590 |
|
|
2500 |
2600 |
2560 |
3148 |
|
1990 |
||||||
|
2800 |
2900 |
2860 |
500 |
3448 |
|
2890 |
|||||


