锥形锁风阀

一、 概述
锥形锁风阀广泛用于建材、矿山、煤炭、冶金、热电等行业。用于物料输送的自动调节及控制,防止野风进入,确保系统输送的畅通。
二、 工作原理及结构特征
锥形锁风阀靠重锤的重力使圆锥阀瓣紧贴阀门口,当物料达到一定重量时,物料的压力使阀瓣下料卸出。重锤使圆锥阀瓣再次复位。锥形锁风阀只能立式安装,锁风阀的上部位应保持一定的料柱。
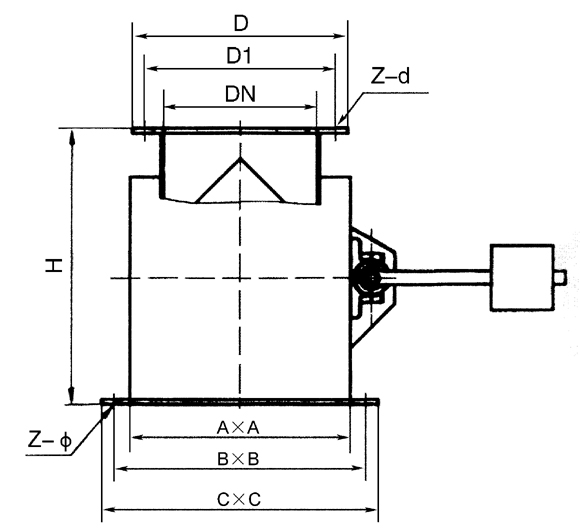
三、 外形及安装尺寸

|
DN |
D |
D1 |
H |
A×A |
B×B |
C×C |
Z-d |
Z-Φ |
|
200 |
300 |
260 |
400 |
300×300 |
360×360 |
400×400 |
12-Φ14 |
16-Φ14 |
|
250 |
350 |
310 |
450 |
350×350 |
410×410 |
450×450 |
12-Φ14 |
16-Φ14 |
|
300 |
400 |
365 |
500 |
400×400 |
460×460 |
500×500 |
12-Φ14 |
16-Φ14 |
|
350 |
450 |
415 |
550 |
450×450 |
510×510 |
450×450 |
12-Φ14 |
16-Φ14 |
|
400 |
500 |
465 |
600 |
500×500 |
560×560 |
500×500 |
12-Φ14 |
16-Φ14 |
|
500 |
600 |
565 |
700 |
600×600 |
665×665 |
610×610 |
12-Φ14 |
16-Φ14 |
四、 安装使用及维护
1、 锥形锁风阀在使用前必须调整,寻找重锤在杠杆上的合理位置。
2、 锥形锁风阀上部应保持一定的料柱,使之密闭防止漏风。
3、 锥形锁风阀必须直立安装,以保持阀门平衡装置的正常工作。


