电动倾斜百叶阀ZKOX-0.05型

一、用途
电动倾斜百叶阀中倾斜型百叶阀与电动执行器配套使用。接受调节或变送的单元信号,自动地控制阀门开度而完成调节任务。电动倾斜百叶阀广泛应用于建材、冶金、矿山、电力等工业部门自动调节或控制管路中的介质流量。
二、特点
电动倾斜百叶阀为百叶、多轴式的结构、轴座采用组装式结构、便于维修。密封填料采用柔性石黑,密封比压可调,阀板流线结构,流阻小,流动均匀,启闭力矩小,动作灵敏,性能可靠。
三、工作原理
电动倾斜百叶阀的电动执行器通过曲柄,连杆带动各阀叶轴同步旋转达到控制阀门开度,调节管路流量。
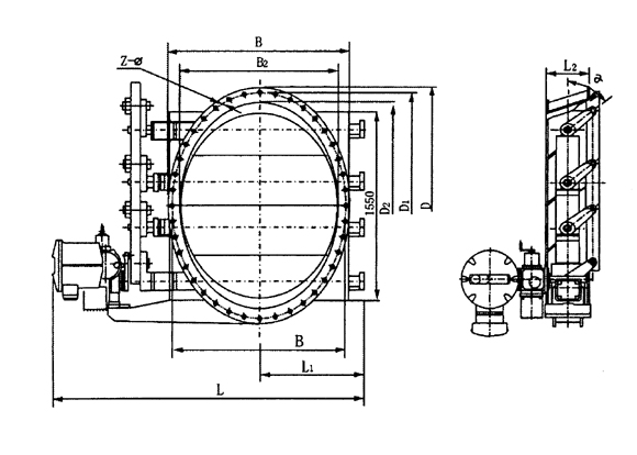
四、外形与安装尺寸
|
DN |
D |
D12 |
D2 |
B |
B1 |
B2 |
L |
L1 |
L2 |
Z-Φ |
α |
|
1500 |
1990 |
1931 |
1831 |
1660 |
1600 |
1500 |
2450 |
935 |
340 |
42-22 |
55 |
|
1800 |
2377 |
2317 |
2197 |
1980 |
1921 |
1800 |
2800 |
1100 |
340 |
44-24 |
55 |
|
2000 |
2621 |
2561 |
2441 |
2180 |
2120 |
2000 |
2950 |
1200 |
400 |
44-24 |
55 |
|
2300 |
2987 |
2927 |
2807 |
2480 |
2420 |
2300 |
3510 |
1365 |
400 |
48-24 |
55 |



