TPO系列手动蝶阀

手动蝶阀普遍适用于建材、玻璃、矿山、电力、轻工、造纸等行业的通风、环保工程等管道系统中。对管道中气体介质按不同控制信号调节流量大小和切断。TPO系列规格符合天津水泥工业设计院编印的“水泥工艺设计手册”的要求。
结构特点
手动蝶阀,采用优质碳素钢焊接。具有重量轻、结构紧凑、流阻损失小、操作灵活、指示方位明确、维护方便、使用寿命长等优点,可任意安装,特别适合架空管道。配用蜗轮传动装置切换,开关轻松自如,任意调节阀门开度,是调节流量的理想设备。
性能参数
|
公称压力 |
介质流速 |
泄漏率 |
适用温度 |
适用介质 |
|
0.05MPa |
≤25m/s |
≤1.5% |
≤300℃ |
空气、烟气、粉尘气体等 |
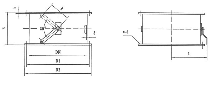
TPO-13外形图

TPO-13外形连接尺寸
|
DN |
D1 |
D2 |
B |
b |
δ |
R |
L |
n-d |
重量W(Kg) |
|
250 |
305 |
350 |
180 |
6 |
2 |
200 |
193 |
8-Φ14 |
14 |
|
300 |
355 |
400 |
180 |
8 |
2 |
200 |
218 |
12-Φ18 |
10 |
|
350 |
405 |
450 |
210 |
8 |
2 |
200 |
243 |
12-Φ18 |
22 |
|
400 |
455 |
500 |
240 |
8 |
2 |
200 |
268 |
12-Φ18 |
25 |
|
450 |
505 |
550 |
270 |
8 |
2.5 |
260 |
283 |
16-Φ18 |
27 |
|
500 |
555 |
600 |
300 |
8 |
2.5 |
260 |
308 |
16-Φ18 |
32 |
|
550 |
605 |
650 |
330 |
8 |
2.5 |
260 |
333 |
16-Φ18 |
35 |
|
600 |
655 |
700 |
360 |
8 |
2.5 |
260 |
358 |
16-Φ18 |
40 |
|
650 |
705 |
750 |
390 |
8 |
2.5 |
300 |
403 |
16-Φ18 |
48 |
|
700 |
755 |
800 |
420 |
8 |
3 |
300 |
428 |
16-Φ18 |
61 |
|
800 |
855 |
900 |
480 |
10 |
3 |
300 |
478 |
20-Φ22 |
84 |
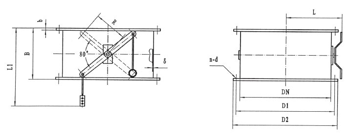
TPO-14外形图

TPO-14外形连接尺寸
|
DN |
D1 |
D2 |
B |
b |
δ |
R |
L |
L1 |
n-d |
重量W(Kg) |
|
250 |
305 |
350 |
180 |
6 |
2 |
110 |
193 |
546 |
8-Φ14 |
14 |
|
300 |
355 |
400 |
180 |
8 |
2 |
110 |
218 |
546 |
12-Φ18 |
20 |
|
350 |
405 |
450 |
210 |
8 |
2 |
110 |
143 |
546 |
12-Φ18 |
22 |
|
400 |
455 |
500 |
240 |
8 |
2 |
110 |
268 |
546 |
12-Φ18 |
26 |
|
450 |
505 |
550 |
270 |
8 |
2.5 |
200 |
298 |
337 |
16-Φ18 |
36 |
|
500 |
555 |
600 |
300 |
8 |
2.5 |
200 |
323 |
337 |
16-Φ18 |
40 |
|
550 |
605 |
650 |
330 |
8 |
2.5 |
200 |
348 |
337 |
16-Φ18 |
44 |
|
600 |
655 |
700 |
360 |
8 |
2.5 |
200 |
373 |
337 |
16-Φ18 |
50 |
|
650 |
705 |
750 |
390 |
8 |
2.5 |
300 |
420 |
1124 |
16-Φ18 |
78 |
|
700 |
755 |
800 |
420 |
8 |
3 |
300 |
445 |
1124 |
16-Φ18 |
90 |
|
800 |
855 |
900 |
480 |
10 |
3 |
300 |
495 |
1124 |
20-Φ22 |
112 |
您可能会对以下产品感兴趣
产品好不好 用我们的业绩证明
奥普核心合作伙伴
企业规模怎么样 用我们的资质说明
生产能力怎么样 用我们的设备和团队表明
新闻动态
- 侧式悬臂堆料机的构造及原理
- 什么是 熟料散装机,有哪三大性能特点
- 什么是 气箱脉冲布袋除尘器,安装注意事项概述
- 桥式刮板取料机的特点及操作注意事项
- 什么是圆盘给料机,有哪些优势特点
- 斗式提升机的六大特点概述
- 操作连续式均化库的四大注意事项
- 移动式堆料机三大优势特点及使用步骤
- 关于网站内容违禁词、极限词失效说明
- 斗式提升机的工作过程分为哪三个阶段
- 电动百叶阀和蝶阀的区别,别错过
- 介绍一下手动蝶阀的特点
- 手动蝶阀具有较好的流量控制特性
- 电动调节蝶阀是工业自动化控制领域中的重要执行单元
- 电液动扇形闸门采用全封闭结构
- 电动调节蝶阀的分类
- 电动调节蝶阀属于电动阀门和电动调节阀中的一个品种
- 平衡阀结构特点跟工作原理


