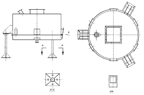
生料分配器
生料分配器是水泥工业气动化装置,主要用在分配干燥粉状物料,它适用于输送设备的中间分料及库顶物料分配。可根据工艺要求生产二嘴、六嘴、八嘴,出料嘴斜度可按工艺在6°至14°范围内选择。生料分配器适用天大、中、小型水泥厂分配水泥、生料之用。

技术参数表
|
型号(mm) |
生料通过能力(t/h) |
风压(mmH2O) |
风量(m3/min) |
|
|
Φ800 |
6嘴 |
<120 |
700 |
2 |
|
8嘴 |
<140 |
2.5 |
||
|
Φ1000 |
6嘴 |
75~130 |
700 |
3 |
|
8嘴 |
90~150 |
4 |
||
|
Φ1200 |
6嘴 |
130~150 |
700 |
4.5 |
|
8嘴 |
150~180 |
5 |
||
|
Φ1600 |
6嘴 |
>150 |
700 |
7 |
|
8嘴 |
>180 |
8 |
||



