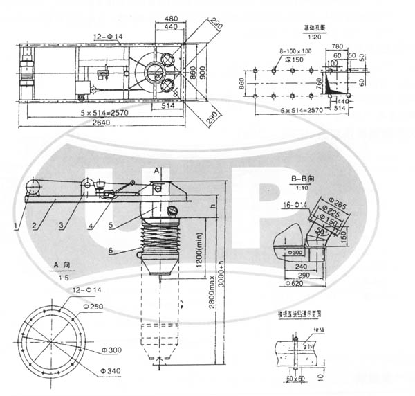
汽车散装机,ZSQ300/600型散装机
汽车散装示意图

技术参数表
| 装载头 | 卷扬机 | 料位仪 | 风机 | |||||||
| 伸缩距离 | 伸缩速度 | 起升速度 | 功率 | 电压 | 动作压力 | 额定电压 | 额定电流 | 适用介质 | 电压 | 电机 |
| 1600mm | 8m/min | 8m/min | 0.75kw | 380V | 2500-5000Pa | 220V380V | 3A | 清洁气体 | 220V | 350W |
上一页:[散装机]
下一页:电动转弯溜子
您可能会对以下产品感兴趣
产品好不好 用我们的业绩证明
奥普核心合作伙伴
企业规模怎么样 用我们的资质说明
生产能力怎么样 用我们的设备和团队表明
新闻动态
- 电动百叶阀和蝶阀的区别,别错过
- 侧式悬臂堆料机在开机前的操作要点讲解
- 关于螺旋输送机,这些知识点要了解
- 螺旋闸门的结构及分类特点
- NE板链斗式提升机的日常维护要求
- 气箱脉冲袋收尘器产生结露的原因是什么
- 了解空气输送斜槽的操作注意点吗
- 圆形堆取料机的结构特点及应用
- 翻板卸灰阀的结构原理,了解吗
- 星型卸灰阀的使用要点讲解
- 熟料散装机的使用注意事项,了解吗
- 汽车散装机的安装、调试与运行要点讲解
- 熟料散装机的安装要点讲解,不可错过
- 粉煤灰散装机好评不断,靠的就是这几点!
- 了解熟料散装机的使用及维护注意要点
- 库底散装机,还不知道这些知识点
- 熟料散装机的相关安装步骤讲解
- 熟料散装机的使用注意事项,需了解哦
- 了解关于汽车散装机的日常使用注意事项
- 讲解熟料散装机的安装步骤,不要错过哦


